Vimos no post anterior o dimensionamento das unidades de tratamento de esgoto residencial. Agora, com base nos resultados obtidos, será apresentado o detalhamento do tanque séptico, filtro anaeróbio e vala de filtração.
Tanques séptico
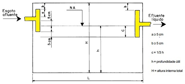
Deve-se considerar os seguintes aspectos para o dimensionamento do tanque de acordo com a NBR 7229/93, que regula o projeto, a construção e a operação dessa unidade de tratamento de esgoto.
– Profundidade útil mínima e máxima de acordo com o volume com base na tabela 1.
| Volume útil (m³) | Profundidade útil mínima (m) | Profundidade útil máxima (m) |
|---|---|---|
| Tabela 1 – Profundidade útil mínima e máxima, por faixa de volume útil | ||
| Até 6,0 | 1,20 | 2,20 |
| De 6,0 a 10,0 | 1,50 | 2,50 |
| Mais que 10,0 | 1,80 | 2,80 |
– Quando o tanque for prismático:
- relação comprimento/largura: mínimo 2:1 e máximo 4:1;
- largura interna mínima: 0,80 m.
– Quando o tanque for cilíndrico:
- o diâmetro interno mínimo deve ser de 1,10 m.
– A abertura das inspeções deve ter as seguintes considerações:
- diâmetro maior ou igual a 60 cm;
- deve ser posicionada em um local que permita acesso ao ponto de entrada de esgoto dentro do tanque;
- a inspeção deve dar acesso a um raio de 1,5m, passando deste limite é necessário uma nova inspeção.
Na figura a seguir, confira as considerações sobre a disposição dos dispositivos de entrada e saída do tanque séptico.
Exemplo: considerando o volume de 7165,5 litros, tal como calculado no post anterior, teremos os seguintes detalhamentos para o tanque séptico prismático, considerando como profundidade útil o valor de 1,5m.
Tanque prismático
Vista superior
Vista em corte
Medidas adotadas:
Largura: 150 cm
Comprimento: 320 cm
Profundidade: 150 cm
Volume resultante: 7,2 m³
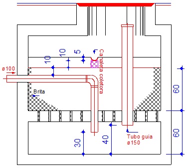
Filtro anaeróbio
Já sabemos que o filtro anaeróbio é uma unidade de tratamento de esgoto complementar, que funciona como um reator biológico. Deve-se considerar os seguintes aspectos para o dimensionamento do filtro anaeróbio de acordo com a NBR 13969/97:
Dimensões
- O volume útil mínimo do leito filtrante deve ser de 1 000 L;
- A altura do leito filtrante, já incluindo a altura do fundo falso, deve ser limitada a 1,20 m;
- A altura do fundo falso deve ser limitada a 0,60 m, já incluindo a espessura da laje.
Distribuição do esgoto no tanque
- Através de tubos verticais com bocais perpendiculares ao fundo plano, com uma distância entre aqueles de 0,30 m;
- A área do fundo do filtro a ser abrangida por cada bocal de distribuição deve ser inferior a 3,0 m².
Drenagem do esgoto
- Nos casos de filtros com fundo falso, um tubo-guia (Ø 150 mm em PVC) para cada 3 m² do fundo.
Além destes itens, a NBR 13969/97 apresenta uma série de outras recomendações sobre a elaboração do filtro, portanto, recomenda-se a leitura da norma.
Exemplo: considerando o volume útil igual a 3061,7 litros, será apresentado o detalhamento de um filtro anaeróbio cilíndrico, onde será adotada a altura útil do leito filtrante igual a 120 cm, com fundo falso igual a 60 cm.
Filtro cilíndrico
Medidas adotadas:
Diâmetro: 185 cm
Profundidade útil: 120 cm
Volume resultante: 3,22 m³
Vala de filtração
O detalhamento da vala de filtração também é realizado com base na NBR 13969/97. Confira a seguir algumas características:
– Deve-se considerar uma sobrelevação do solo acima da vala para evitar a erosão do reaterro da vala decorrente das chuvas;
– A camada de brita que fica localizada acima da camada de areia deve ser coberta por uma tela permeável, visando impedir a mistura entre o reaterro e a brita;
– Para evitar contaminação dos aquíferos, as paredes e o fundo da vala devem ser cobertos por um material impermeável;
– A vala deve ser montada conforme o indicado na figura a seguir, sendo:
- Largura da vala onde é depositado o tubo de distribuição deve ter aproximadamente 1 metro;
- Altura de brita onde deve ser instalado os tubos de distribuição e de coleta deve ser igual a 20 cm;
- Camada de areia entre as britas deve ser igual a 70 cm.
Confira o detalhamento, de acordo com o exemplo do post anterior, no qual o comprimento total da vala foi igual a 20.8 m.
Além destes itens, a NBR 13969/97 apresenta uma série de outras recomendações sobre a elaboração da vala de filtração, portanto, é recomendada a leitura da norma.
Agora que já temos os itens para detalhamento das unidades de tratamento de esgoto, vamos saber como as ferramentas especializadas podem ajudar na elaboração desses projetos. Aguarde o próximo post.
Ficou com alguma dúvida? Escreva para nós.









